HUMMING VISION
Camera
Area Camera
Line Scan Camera
Lens
CCTV Lens
TCL Lens
Frame Grabber
CoaXPress
Cammera Link
GigE
USB
Light
Light
Download
ETC
Software
Accessory
Contact
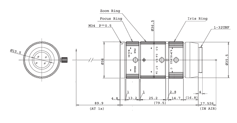
MLM-3XMP
2/3" 3.3X 수동 줌 초점 및 조리개 렌즈 매크로 유형(90mm W.D.) 저왜곡 , 1.5메가픽셀(C-마운트)
DataSheet
Drawing
상세스펙
MLM-3XMP | 허밍비젼 HummingVision